DEDRA, Strana 370

 Logo DEDRA

Psal se rok 1991, kdy se na celosvětovém trhu objevila úplně poprvé společnost s jasnou marketingovou vizí. Vzít jakékoliv oblíbené nářadí, vylepšit ho a udělat ho levnějším. Tuto politiku společnost nehodlá od svého započatí nikterak měnit a neustále dokazuje, že jejich ruční nářadí i stavební nářadí patří k těm lepším na současné tržní nabídce.

Pneumatické nářadí Pansam

Během prvních deseti let působnosti se pod zastřešením Dedry Exim objevuje do nynější doby oblíbená značka Pansam, která na trh přinesla kvalitní pneumatické nářadí a kompresory. První roky jsou pro každou společnost těžké, je třeba zaujmout, prosadit se a nastavit si výdělečnou strategii. Jakmile se vody uklidnily a Dedra Exim si našla svou cestu, začala navazovat důležitá partnerství s oblíbenými obchodními sítěmi.

Další skvělé nářadí Dedra

Netrvalo dlouho a v následujících letech se nabídka ručního a elektrického nářadí rozšiřuje o mimořádně oblíbené svářečky a brusky na sádrokarton. Bylo jasné, že se Dedra snaží prorazit i se stavebním nářadím, které by bylo využitelné i v poloprofesionálních podmínkách. Ruční i stavební nářadí nebo nářadí do dílny bylo a vždy bude vyráběno s maximálním ohledem na poměr cena/výkon.

 

dedra vyrobce naradi

Dedra ventilace, vytápění, topidla, zvlhčovače, ohřívače kompresory

Dedra samozřejmě postupovala dál a za každým takovým posunem stál úspěch minulého kroku. Plná sebevědomí se začala zajímat i o oblast, kde hlavní roli sehrávají ventilace, vytápění, topidla, zvlhčovače, ohřívače kompresory. Veškerý výše zmíněný sortiment pak vystupuje pod specifickými značkami jako je Descon, Stanley a další. Na český trh se společnost Dedra dostává až s příchodem roku 2013 a je zde stále populárnější.

Mezi nejnovější kroky společnosti na výrobu ručního, stavebního i dílenského nářadí je pak mechanické nářadí, kde naleznete nejrůznější klíče, goly a vše, co by se vám mohlo hodit v dílně.

Řazení produktů

12165 položek celkem

Výpis produktů

proudová zásuvka kabelu Tig DEDRA XDESTI202.07
454 Kč bez DPH
549 Kč / ks
Kód: XDESTI202.07
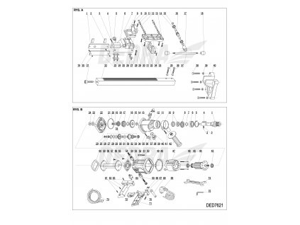
pol pl Odkurzacz przemyslowy do pracy ze szlifierka do gipsu DEDRA DED6604 2200W 27L filt HEPA klasy M otrzasacz 22974 3
Doprava zdarma
5 826 Kč bez DPH
7 050 Kč / ks

Vysavač s filtrační třídou M umožňuje čištění jakýchkoli povrchů v obytných a technických místnostech, díky čemuž můžeme rychle a pohodlně...

Kód: DED6604
Průmyslové čistící ubrousky, nádobka, 40ks DEDRA 1500A
64 Kč bez DPH
78 Kč / ks

Průmyslové čistící ubrousky, nádobka, 40ks

Kód: 1500A
Průvodce cpl. DEDRA XDED7711.43
454 Kč bez DPH
549 Kč / ks
Kód: XDED7711.43
Průvodce DEDRA XA040010.08
206 Kč bez DPH
249 Kč / ks
Kód: XA040010.08
Průvodce DEDRA XDED7712.43
429 Kč bez DPH
519 Kč / ks
Kód: XDED7712.43
Průvodce DEDRA XDED7739X.109
503 Kč bez DPH
609 Kč / ks
Kód: XDED7739X.109
Průvodce DEDRA XDED7745X.170
503 Kč bez DPH
609 Kč / ks
Kód: XDED7745X.170
2 669 Kč bez DPH
3 229 Kč / ks
Kód: XDED7828.042
2 131 Kč bez DPH
2 579 Kč / ks
Kód: XDED7829.33
2 131 Kč bez DPH
2 579 Kč / ks
Kód: XDED7831.045
1 421 Kč bez DPH
1 719 Kč / ks
Kód: XA088060.054
1 702 Kč bez DPH
2 059 Kč / ks
Kód: XDED7731.28
1 049 Kč bez DPH
1 269 Kč / ks
Kód: XDED7803.28
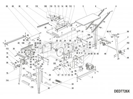
Průvodce pohonnou jednotkou DEDRA XDED7824.28
2 834 Kč bez DPH
3 429 Kč / ks
Kód: XDED7824.28
Pružina rotoru DEDRA XDED7758.20
32 Kč bez DPH
39 Kč / ks
Kód: XDED7758.20
148 Kč bez DPH
179 Kč / ks
Kód: XDED8810.N28
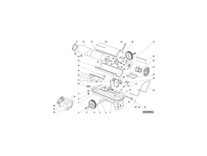
Pružná hadice DEDRA XDED6604.37
941 Kč bez DPH
1 139 Kč / ks

Kód: XDED6604.37
Pružné upevnění krytu DEDRA XDED7831.096
57 Kč bez DPH
69 Kč / ks
Kód: XDED7831.096
První ozubený pastorek DEDRA XDED7840.058
148 Kč bez DPH
179 Kč / ks
Kód: XDED7840.058
Kód: XDA-1602.06
Přední kolo DEDRA XDED8724-46L.18
429 Kč bez DPH
519 Kč / ks
Kód: XDED8724-46L.18
Přední kolo DEDRA XDED8725-51L.18
520 Kč bez DPH
629 Kč / ks
Kód: XDED8725-51L.18
Přední kryt motoru DEDRA XDA-0902.14
57 Kč bez DPH
69 Kč / ks
Kód: XDA-0902.14
Přední kryt motoru DEDRA XDA-0902B.14
57 Kč bez DPH
69 Kč / ks
Kód: XDA-0902B.14
Přední kryt motoru DEDRA XDA-1203.14
49 Kč bez DPH
59 Kč / ks
Kód: XDA-1203.14
Přední kryt motoru DEDRA XDA-1203B.14
40 Kč bez DPH
49 Kč / ks
Kód: XDA-1203B.14
57 Kč bez DPH
69 Kč / ks
Kód: XDA-1602.14

Ovládací prvky výpisu

12165 položek celkem
/* Skladem na prodejně - ihned k odeslání */
Objednejte v pracovní den do 10 h a my Váš balíček předáme dopravci ten samý den.
/* Skladem - ihned k odeslání */
Objednejte v pracovní den do 10 h a my Váš balíček předáme dopravci ten samý den
/* Skladem - do 48 h */
Zboží Vám odešleme
/* Skladem - do 3 dnů */
Zboží Vám odešleme
/* Skladem do 3 dnů */
Zboží Vám odešleme
/* Skladem - do 5 dnů */
Zboží Vám odešleme
/* Na objednání - do 14 dnů */
Zboží Vám odešleme
/* Konec prodeje */
Prodej tohoto zboží bohužel už skončil. Ve stejné kategorii však jistě naleznete podobný produkt.
/* Na dotaz */
Toto zboží aktuálně není skladem.
O dostupnosti se můžete jednoduše informovat na emailu: info@promistry.cz.

Ověřeno našimi zákazníky

Více jak 5244 dotázaných zákazníků doporučuje náš obchod

Prohlédnout hodnocení obchodu

Aleš Skřeček
100%
  • zboží skladem
  • rychlost dodání
  • komunikace

Vše proběhlo rychle a bez problémů. Mohu jen doporučit.

Jitka Krejčová
100%
  • rychlost dodání a příznivá cena
  • komunikace a dokáží poradit

Odpoledne jsem objednala zboží a druhý den bylo k vyzvednutí v Uložence (i s dopravou přes celou republiku !)

Chovatel
100%
  • šíře nabídky a rychlost dodání

Slušné ceny, dobrá komunikace, bez obav z nákupu. Rychlé dodání.

Chcete-li rychle a dobře nakoupit udělejte to co nejdříve.!


Autorizovaný
prodejce
Jsme autorizovaný prodejce této a mnoha dalších značek, garantujeme Vám bezpečný nákup.

Doprava zdarma
nad 2500 Kč
Doprava zdarma již od 2500 Kč nákupu. Při nižší ceně objednávky můžete využít výdejny Zásilkovny za 99 Kč.

Objednávku
odešleme obratem
Toto zboží Vám odešleme kurýrem až domů nebo na výdejní místo do:

Zásilkovna
výdejní místa
Zboží můžete vyzvednout na jednom z více než 3800 výdejních míst Zásilkovny nebo DPD, nedaleko Vaší lokality.

Doprava zdarma již od 2500 Kč nákupu. Při nižší ceně objednávky můžete využít služeb Zásilkovny nebo DPD .